welcome To YueQing DongLiao Alloy Material CO.,LTD Official website!
Language: 中文版 ∷  英文版

Holistic rivets

  • Silver contacts

Silver contacts

  • Product description:

    Application range

    Main products:

    AgCu/Cu, Ag/Cu,AgNi/Cu ,AgSnO₂In₂O₃/Cu  ,

    AgSnO₂/Cu  ,AgCdO/Cu  ,AgCuO/Cu  ,AgZnO/Cu。 


  • Online orders

The holistic electrical contact rivet is a contact material widely used in small-capacity low-voltage electrical products, and has excellent electrical properties.

QQ图片20190530102654.jpg

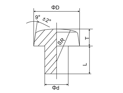
Specifications:

Name

Specification

Allowable deviatio

Head diameteD

Φ2.5-Φ8.0±0.1

Head thickness T

0.4-3.5±0.05

Tail diameter d

Φ0.7-Φ5.0-0.02
         0.10

Tail length L

0.6-10±0.15
SR Round head radius SR2.5-50SR≤10
SR>10
± 1
 ± 2

0001.jpg

Standard size table:

Numbe

DTDLSR
12.50.81.51.08
23.00.81.51.08
33.01.01.51.58
43.50.82.01.08
53.51.02.02.08
63.51.52.01.58
74.00.82.01.510
84.01.02.02.010
94.01.22.02.010
104.01.52.02.010
114.51.52.01.510
124.52.02.52.010
134.81.52.51.510
145.01.02.52.015
155.01.52.52.515
165.02.02.52.515
176.01.53.02.520
186.02.03.02.520
197.02.03.52.520
208.02.54.03.020


Prev:Silver contacts Next:没有了!

CONTACT US

COMPANY:YueQing DongLiao Alloy Material CO.,LTD

Contact:Mr.HUANG

Tel:+86 57761719276

Phone:13764566999

Email:info@cndlhj.com

Add:75 Xinguang Ave.,Xinguang Industrial Zone Liushi Town,Yueqing ZHejiang Province,China

  • send message Service 01
  • send message Service 02

Customer service hotline

86-577-61719276

Online service