product description
Application range
main products
AgCu/Cu, Ag/Cu,AgNi/Cu ,AgSnO₂In₂O₃/Cu ,
AgSnO₂/Cu ,AgCdO/Cu ,AgCuO/Cu ,AgZnO/Cu。
The holistic electrical contact rivet is a contact material widely used in small-capacity low-voltage electrical products, and has excellent electrical properties.

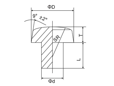
Specifications:
Name | Specification | Allowable deviatio | |
Head diameteD | Φ2.5-Φ8.0 | ±0.1 | |
Head thickness T | 0.4-3.5 | ±0.05 | |
Tail diameter d | Φ0.7-Φ5.0 | -0.02 0.10 | |
Tail length L | 0.6-10 | ±0.15 | |
| SR Round head radius SR | 2.5-50 | SR≤10 SR>10 | ± 1 ± 2 |

Standard size table:
Numbe | D | T | D | L | SR |
| 1 | 2.5 | 0.8 | 1.5 | 1.0 | 8 |
| 2 | 3.0 | 0.8 | 1.5 | 1.0 | 8 |
| 3 | 3.0 | 1.0 | 1.5 | 1.5 | 8 |
| 4 | 3.5 | 0.8 | 2.0 | 1.0 | 8 |
| 5 | 3.5 | 1.0 | 2.0 | 2.0 | 8 |
| 6 | 3.5 | 1.5 | 2.0 | 1.5 | 8 |
| 7 | 4.0 | 0.8 | 2.0 | 1.5 | 10 |
| 8 | 4.0 | 1.0 | 2.0 | 2.0 | 10 |
| 9 | 4.0 | 1.2 | 2.0 | 2.0 | 10 |
| 10 | 4.0 | 1.5 | 2.0 | 2.0 | 10 |
| 11 | 4.5 | 1.5 | 2.0 | 1.5 | 10 |
| 12 | 4.5 | 2.0 | 2.5 | 2.0 | 10 |
| 13 | 4.8 | 1.5 | 2.5 | 1.5 | 10 |
| 14 | 5.0 | 1.0 | 2.5 | 2.0 | 15 |
| 15 | 5.0 | 1.5 | 2.5 | 2.5 | 15 |
| 16 | 5.0 | 2.0 | 2.5 | 2.5 | 15 |
| 17 | 6.0 | 1.5 | 3.0 | 2.5 | 20 |
| 18 | 6.0 | 2.0 | 3.0 | 2.5 | 20 |
| 19 | 7.0 | 2.0 | 3.5 | 2.5 | 20 |
| 20 | 8.0 | 2.5 | 4.0 | 3.0 | 20 |
COMPANY:YueQing DongLiao Alloy Material CO.,LTD
Contact:Mr.HUANG
Tel:+86 57761719276
Phone:13764566999
Email:info@cndlhj.com
Add:75 Xinguang Ave.,Xinguang Industrial Zone Liushi Town,Yueqing ZHejiang Province,China