三层复合铆钉型触头(分平头和圆头两种,见附图)
圆盘型触头,底部形状有多种。
(1) 平台凸起型;
(2) 无凸起型;
(3) 单点凸起型;
(4) 多点凸起型;
(5) 圆环凸起型;
(6) 圆环凹凸起型。

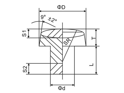
| 名称 | 规格 | 允许偏差 |
| 头部直径D | Φ1.5-Φ10 | ±0.1 |
| 头部厚度T | 0.8-1.3 | ±0.05 |
| 尾部直径d | Φ2.0-Φ4.0 | -0.1 |
| 尾部长度L | 1.0-2.5 | ±0.1 |
| 头部银层厚度S1 | 0.3-0.5 | -0.1 |
| 尾部银层厚度S2 | 0.3-0.5 | ±0.1 |
| 圆头半径SR | 5.0-20.0 | ±25%SR |
公 司:乐清市东辽合金材料有限公司
联系人:黄经理
电话:0577-61719276
手机:13764566999
E-mail:info@cndlhj.com
地 址:乐清市柳市镇新光工业区耀华集团院内新光大道75号