Product description:
Application range
Main products:
AgCu/Cu, Ag/Cu,AgNi/Cu ,AgSnO₂In₂O₃/Cu ,
AgSnO₂/Cu ,AgCdO/Cu ,AgCuO/Cu ,AgZnO/Cu。
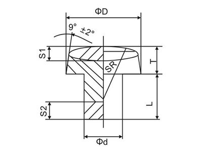
Bimetal rivet-type contact (sorted into flat head and round head, see diagram)

| Name | D | T | D | L | S1 | S2 | SR |
| 1 | 3.3 | 0.8 | 2.0 | 1.4 | 0.35 | 0.65 | 5 |
| 2 | 3.3 | 0.9 | 2.0 | 1.5 | 0.2 | 0.65 | 5 |
| 3 | 3.3 | 0.6 | 2.0 | 2.4 | 0.3 | 0.65 | 8 |
| 4 | 3.8 | 1.0 | 3.2 | 1.6 | 0.5 | 0.4 | 10 |
| 5 | 3.8 | 0.75 | 3.2 | 1.2 | 0.35 | 0.4 | 12 |
| 6 | 4.0 | 1.0 | 2.5 | 2.5 | 0.4 | 0.95 | 10 |
| 7 | 4.5 | 0.8 | 3.5 | 1.2 | 0.3 | 0.3 | 12 |
| 8 | 4.5 | 1.0 | 3.05 | 1.55 | 0.3 | 0.2 | 12 |
| 9 | 5.0 | 0.8 | 3.0 | 1.0 | 0.3 | 0.2 | 10 |
| 10 | 6.0 | 1.3 | 3.1 | 2.4 | 0.3 | 0.8 | 12 |
Contacts with special shapes and specifications
Compound contacts with special shapes and specifications are available at request. The shape, size and tolerance can be determined by both parties through negotiation.
Standards for compound contacts
The compound contacts produced by our company are in accordance with the standard Q/JBSC29-2000 and related standards. Its allowable deviation and composite strength are as follows:
| Ltem | D (mm) | T (mm) | S (mm) | SR (mm) | L (mm) | d (mm) | Coaxiality(mm) | Combined strength | ||||
| Tolerance | ±0.1 | ±0.05 | S≤0.4 | S>0.4 | SR≤10 | SR>10 | +0.15 | -0.02 -0.10 | Head diameter | ≥ 98 MPA | ||
| ±0.06 | ±0.06 | ±1 | ±2 | 2.5-3 | > 3 ˜ 6 | > 6 ˜ 8 | ||||||
| 1.12 | 0.15 | 0.20 | ||||||||||
Coaxiality is based on the cylindrical surface of the rivet
Our products must be in accordance with the standard GB2828, only the qualified products that passed the inspections of workshop and quality inspection department via batch-by-batch sampling and second-level inspections can be put in storage. In order to improve the product surface quality and extend its shelf life, we adopt advanced equipment and surface treatment technology to ensure that the product surface quality reaches the international advanced level.
Item
Allowable deviation
Coaxiality
Combined strength
Head diameter
Coaxiality is based on the cylindrical surface of the rivet
COMPANY:YueQing DongLiao Alloy Material CO.,LTD
Contact:Mr.HUANG
Tel:+86 57761719276
Phone:13764566999
Email:info@cndlhj.com
Add:75 Xinguang Ave.,Xinguang Industrial Zone Liushi Town,Yueqing ZHejiang Province,China