Product description:
Application range
Main products:
AgCu/Cu, Ag/Cu,AgNi/Cu ,AgSnO₂In₂O₃/Cu , AgSnO₂/Cu ,AgCdO/Cu ,AgCuO/Cu ,AgZnO/Cu
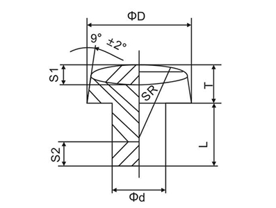
Trimetal rivet-type contacts (sorted into flat head and round head, see diagram

Name | Specification | Allowable deviation |
Head diameter D | Φ1.5-Φ10 | ±0.1 |
Head thickness T | 0.8-1.3 | ±0.05 |
Tail diameter d | Φ2.0-Φ4.0 | -0.1 |
Tail length L | 1.0-2.5 | ±0.1 |
Head silver thickness S1 | 0.3-0.5 | -0.1 |
Tail silver thickness S | 0.3-0.5 | ±0.1 |
Round head radius SR | 5.0-20.0 | ±25%SR |
Disc type contacts, whose bottom shape as follows:
(1) Platform convex type;
(2) Non-convex type;
(3) Single-point convex type;
(4) Multi-point convex type;
(5) Ring-shaped convex type;
(6) Ring-shaped concave-convex type;
In addition to pure copper as the contact base material, copper-nickel alloy and so on can also be adopted to improve its welding performances.
COMPANY:YueQing DongLiao Alloy Material CO.,LTD
Contact:Mr.HUANG
Tel:+86 57761719276
Phone:13764566999
Email:info@cndlhj.com
Add:75 Xinguang Ave.,Xinguang Industrial Zone Liushi Town,Yueqing ZHejiang Province,China