应用范围
继电器、接触器、小型开关、温控器等。
主要产品:
AgCu/Cu, Ag/Cu,AgNi/Cu ,AgSnO₂In₂O₃/Cu ,
AgSnO₂/Cu ,AgCdO/Cu ,AgCuO/Cu ,AgZnO/Cu。
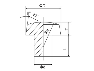
整体铆钉型触头是小容量低压电器产品中被广发使用的触头材料,它具有优良的电器性能。

规格范围:
| 名称 | 规格 | 允许偏差 | |
| 头部直径D | Φ2.5-Φ8.0 | ±0.1 | |
| 头部厚度T | 0.4-3.5 | ±0.05 | |
| 尾部直径d | Φ0.7-Φ5.0 | -0.02 0.10 | |
| 尾部长度L | 0.6-10 | ±0.15 | |
| 圆头半径SR | 2.5-50 | SR≤10 SR>10 | ± 1 ± 2 |

标准尺寸表:
| 序号 | D | T | D | L | SR |
| 1 | 2.5 | 0.8 | 1.5 | 1.0 | 8 |
| 2 | 3.0 | 0.8 | 1.5 | 1.0 | 8 |
| 3 | 3.0 | 1.0 | 1.5 | 1.5 | 8 |
| 4 | 3.5 | 0.8 | 2.0 | 1.0 | 8 |
| 5 | 3.5 | 1.0 | 2.0 | 2.0 | 8 |
| 6 | 3.5 | 1.5 | 2.0 | 1.5 | 8 |
| 7 | 4.0 | 0.8 | 2.0 | 1.5 | 10 |
| 8 | 4.0 | 1.0 | 2.0 | 2.0 | 10 |
| 9 | 4.0 | 1.2 | 2.0 | 2.0 | 10 |
| 10 | 4.0 | 1.5 | 2.0 | 2.0 | 10 |
| 11 | 4.5 | 1.5 | 2.0 | 1.5 | 10 |
| 12 | 4.5 | 2.0 | 2.5 | 2.0 | 10 |
| 13 | 4.8 | 1.5 | 2.5 | 1.5 | 10 |
| 14 | 5.0 | 1.0 | 2.5 | 2.0 | 15 |
| 15 | 5.0 | 1.5 | 2.5 | 2.5 | 15 |
| 16 | 5.0 | 2.0 | 2.5 | 2.5 | 15 |
| 17 | 6.0 | 1.5 | 3.0 | 2.5 | 20 |
| 18 | 6.0 | 2.0 | 3.0 | 2.5 | 20 |
| 19 | 7.0 | 2.0 | 3.5 | 2.5 | 20 |
| 20 | 8.0 | 2.5 | 4.0 | 3.0 | 20 |
公 司:乐清市东辽合金材料有限公司
联系人:黄经理
电话:0577-61719276
手机:13764566999
E-mail:info@cndlhj.com
地 址:乐清市柳市镇新光工业区耀华集团院内新光大道75号