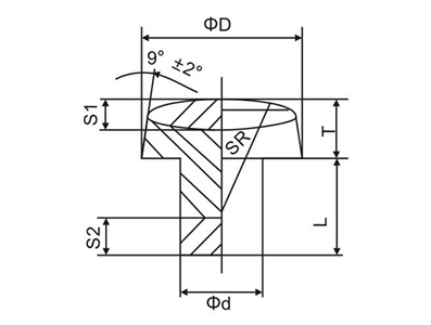
二层复合铆钉型触头(分平头和圆头两种,见附图)
应用范围:继电器、接触器、小型开关、温控器等。
主要产品:
AgCu/Cu, Ag/Cu,AgNi/Cu ,AgSnO₂In₂O₃/Cu ,
AgSnO₂/Cu ,AgCdO/Cu ,AgCuO/Cu ,AgZnO/Cu。

| 名称 | D | T | D | L | S1 | S2 | SR |
| 1 | 3.3 | 0.8 | 2.0 | 1.4 | 0.35 | 0.65 | 5 |
| 2 | 3.3 | 0.9 | 2.0 | 1.5 | 0.2 | 0.65 | 5 |
| 3 | 3.3 | 0.6 | 2.0 | 2.4 | 0.3 | 0.65 | 8 |
| 4 | 3.8 | 1.0 | 3.2 | 1.6 | 0.5 | 0.4 | 10 |
| 5 | 3.8 | 0.75 | 3.2 | 1.2 | 0.35 | 0.4 | 12 |
| 6 | 4.0 | 1.0 | 2.5 | 2.5 | 0.4 | 0.95 | 10 |
| 7 | 4.5 | 0.8 | 3.5 | 1.2 | 0.3 | 0.3 | 12 |
| 8 | 4.5 | 1.0 | 3.05 | 1.55 | 0.3 | 0.2 | 12 |
| 9 | 5.0 | 0.8 | 3.0 | 1.0 | 0.3 | 0.2 | 10 |
| 10 | 6.0 | 1.3 | 3.1 | 2.4 | 0.3 | 0.8 | 12 |
.特殊形状和规格的触点 Contacts with special shapes and specifications
根据用户的特殊要求,还可以生产多种特殊形状、规格要求的复合触头,由您与 我公司协商研究确定形状、尺寸公差后,由我公司试制。
•复合触头的标准
1、我公司生产的复合触头,严格执行Q/JBSC29-2000标准及有关标准,复合触 头允许偏差及复合强度见下表:
2、出公司产品必须按GB2828标准,逐批取样由车间及质检科二级检验合格后方能入 库,为提高产品表面质量,延长产品保质期,我公司采用了先进的设备和表面处 理工艺,确保我公司产品表面质量基本达到国外先进水平。
| 项目 | D (mm) | T (mm) | S (mm) | SR (mm) | L (mm) | d (mm) | 同轴度(mm) | 复合强度 | ||||
| 充许偏差 | ±0.1 | ±0.05 | S≤0.4 | S>0.4 | SR≤10 | SR>10 | +0.15 | -0.02 -0.10 | 头部直径 | ≥ 98 MPA | ||
| ±0.06 | ±0.06 | ±1 | ±2 | 2.5-3 | > 3 ˜ 6 | > 6 ˜ 8 | ||||||
| 1.12 | 0.15 | 0.20 | ||||||||||
公 司:乐清市东辽合金材料有限公司
联系人:黄经理
电话:0577-61719276
手机:13764566999
E-mail:info@cndlhj.com
地 址:乐清市柳市镇新光工业区耀华集团院内新光大道75号